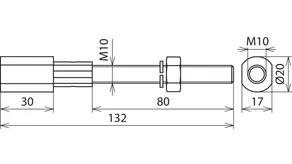
For connection to fixed earthing terminals with thread M10, lock nut and spring washer, for use in case of perimeter insulation or thermal insulation composite systems.
Threaded adapter, StSt (V4A) Threaded adapter for connection to fixed earthing terminals with M10 thread, lock nut and spring washer, for use with perimeter insulation or thermal insulation composite systems
Material: StSt (V4A)
Female thread : M10 x 25 mm
Male thread: M10 x 80 mm
Total length: 130 mm
Standard: EN 62561-1
Brand: DEHN
Type: GAD EFP M10 10 L130 V4A
Part No.: 478699
or equivalent.