DEHNventil ZP

  • Type 1 and type 2 combined lightning current and surge arrester with RADAX Flow spark gap technology
  • Fully compliant with all requirements of VDE-AR-N 4100 on the use of SPDs upstream of the meter panel
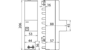
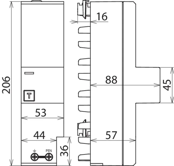
  • Quick and easy installation by snapping the arrester onto 40 mm busbar systems
  • Test for correct operation by pressing the button with indicator light
  • No tripping of 32 A gG fuses up to short-circuit currents of 25 kArms
  • Discharge capacity up to 100 kA (10/350 µs)
  • Capable of protecting terminal equipment
  • Maximum system availability

Details

lorem ipsum
lorem ipsum


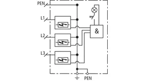
DEHNventil ZP TNC

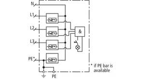
Combined lightning current and surge arrester for TN-C systems for use in main power systems in case of buildings with external lightning protection system and high performance parameters (3+0 configuration).

1 Product

Part No. 900390 DV ZP TNC 255

GTIN 4013364105751, Customs tariff No. (EU): 85363090, Gross weight: 957.00 g, PU: 1.00 pc(s)

Predecessor

Images

Additional information

DEHNventil ZP TNC 255 combined arrester
Three-pole combined arrester for use in 230/400 V TN-C systems
For use upstream of the meter according to national regulations
(e.g. Germany: VDN directive)
Type 1 + Type 2 SPD according to EN 61643-11
RADAX-Flow spark gap technology
for follow current limitation
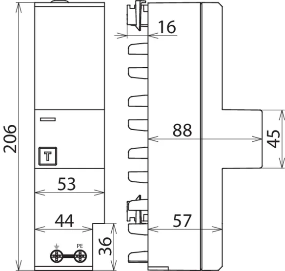
Can be directly snapped onto 40 mm busbar systems
without tools in the lower compartment of the meter panel
Max. continuous operating voltage: 255 V a.c.
Voltage protection level: <= 1.5 kV
Lightning impulse current (10/350 µs): 75 kA
Follow current extinguishing capability: 25 kArms
Energy-coordinated according to IEC 62305-4 with
arresters of the Red/Line series and terminal equipment
Operating state indication

Brand: DEHN
Type: DV ZP TNC 255
Part No.: 900390
or equivalent.

Certificates

 

Wave breaker function

In the case of spark-gap-based type 1 arresters, the entire current flows through the type 1 arrester during the discharge process. Like a wave breaker, the incoming energy is greatly broken down, which significantly relieves the downstream SPDs. All type 1 arresters in the Red/Line product range feature the WBF wave breaker function.

Technical data

SPD according to EN 61643-11 / IEC 61643-11 type 1 + type 2 / class I + class II
Max. continuous operating voltage (a.c.) (UC ) 255 V (50 / 60 Hz)
Lightning impulse current (10/350 µs) [L1+L2+L3-PEN] (Itotal ) 75 kA
Lightning impulse current (10/350 µs) [L-PEN] (Iimp ) 25 kA
Voltage protection level (UP ) ≤ 1.5 kV
Max. backup fuse up to IK = 25 kArms 315 A gG
Approvals VDE

Product 900390 was added to Notepad.

Product 900390 was added to the cart.


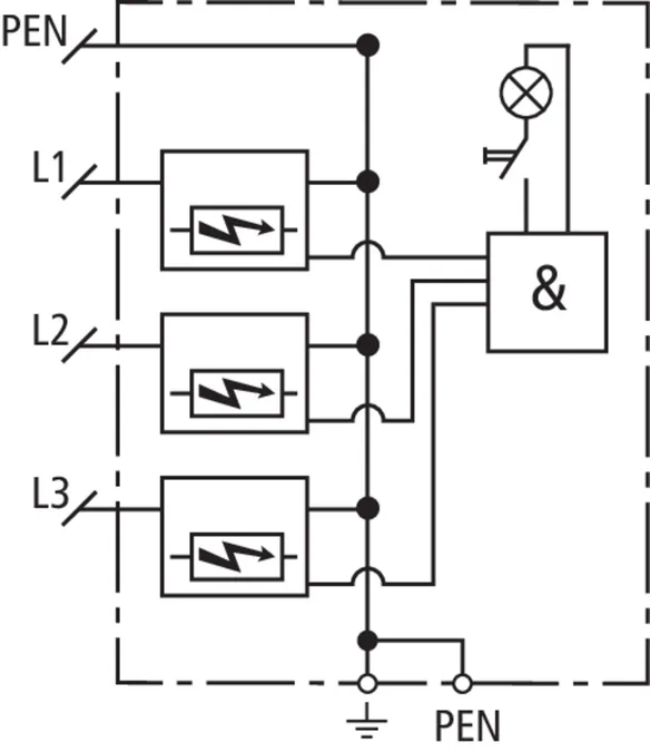
DEHNventil ZP TT

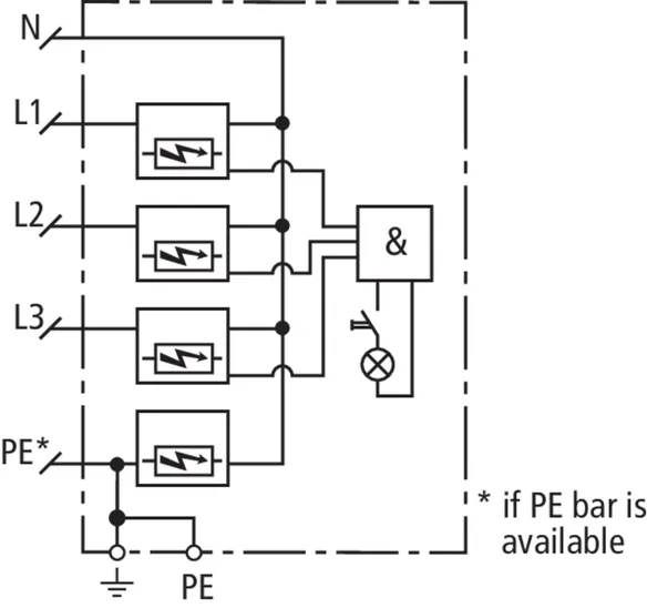
Combined lightning current and surge arrester for TT and TN-S systems for use in primary power systems in case of buildings with external lightning protection system and high performance parameters (3+1 configuration).

1 Product

Part No. 900391 DV ZP TT 255

GTIN 4013364105768, Customs tariff No. (EU): 85363090, Gross weight: 1.08 kg, PU: 1.00 pc(s)

Predecessor

Images

Additional information

DEHNventil ZP TT 255 combined arrester
Four-pole combined arrester for 230/400 V
TT and TN(C)-S systems
For use upstream of the meter according to national regulations
(e.g. Germany: VDN directive)
Type 1 + Type 2 SPD acc. to EN 61643-11
RADAX-Flow spark gap technology
for follow current limitation
Can be directly snapped onto 40 mm busbar systems
without tools in the lower compartment of the meter panel
Max. continuous operating voltage: 255 V a.c.
Voltage protection level: <= 1.5 kV
Lightning impulse current (10/350 µs): 100 kA
Follow current extinguishing capability: 25 kArms
Energy-coordinated according to IEC 62305-4 with
arresters of the Red/Line series and terminal equipment
Fault indication

Brand: DEHN
Type: DV ZP TT 255
Part No.: 900391
or equivalent.

Certificates

 

Wave breaker function

In the case of spark-gap-based type 1 arresters, the entire current flows through the type 1 arrester during the discharge process. Like a wave breaker, the incoming energy is greatly broken down, which significantly relieves the downstream SPDs. All type 1 arresters in the Red/Line product range feature the WBF wave breaker function.

Technical data

SPD according to EN 61643-11 / IEC 61643-11 type 1 + type 2 / class I + class II
Max. continuous operating voltage (a.c.) (UC ) 255 V (50 / 60 Hz)
Lightning impulse current (10/350 µs) [L1+L2+L3+N-PE] (Itotal ) 100 kA
Lightning impulse current (10/350 µs) [L-N] (Iimp ) 25 kA
Lightning impulse current (10/350 µs) [N-PE] (Iimp ) 100 kA
Voltage protection level [L-N] (UP ) ≤ 1.5 kV
Voltage protection level [N-PE] (UP ) ≤ 1.5 kV
Max. backup fuse up to IK = 25 kArms 315 A gG
Approvals VDE

Product 900391 was added to Notepad.

Product 900391 was added to the cart.


back to top