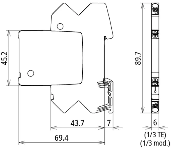
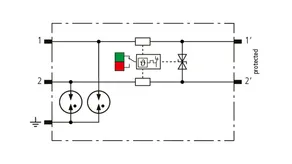
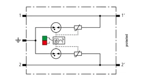
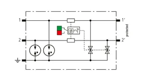
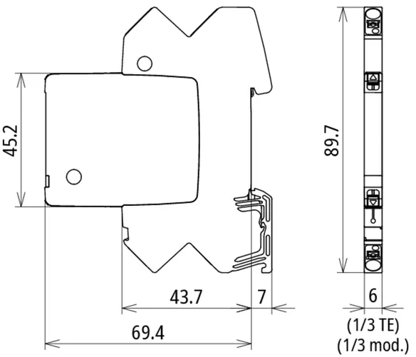
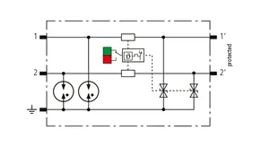
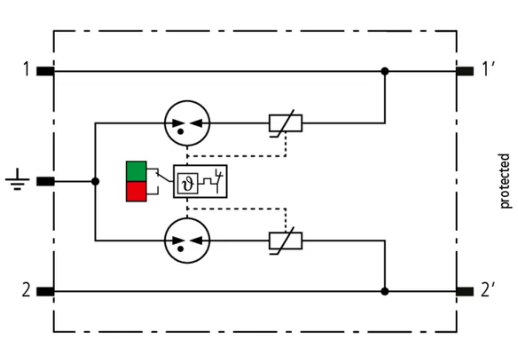
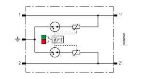
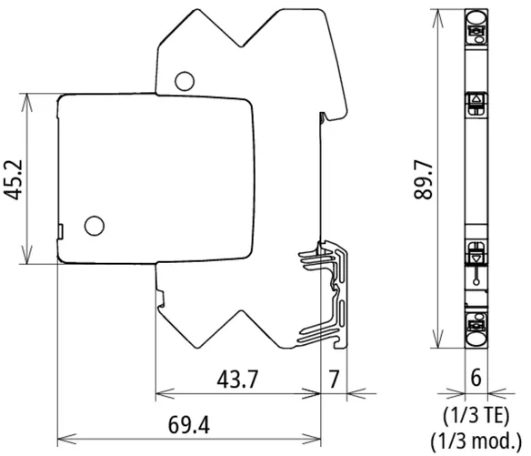
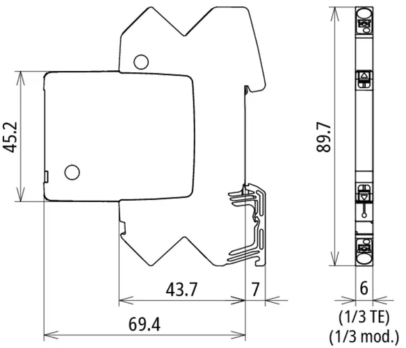
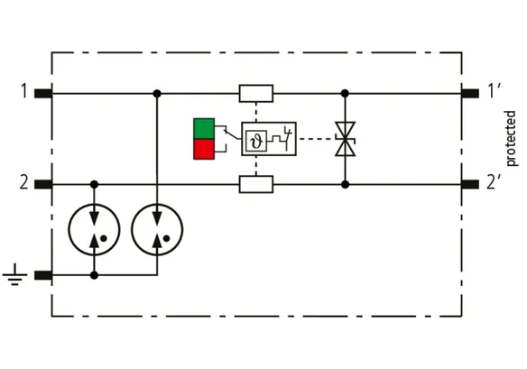
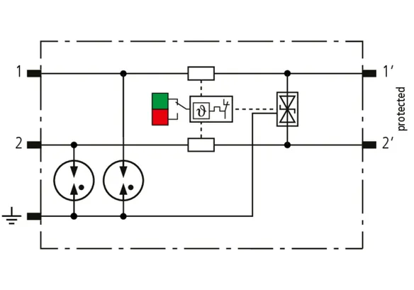
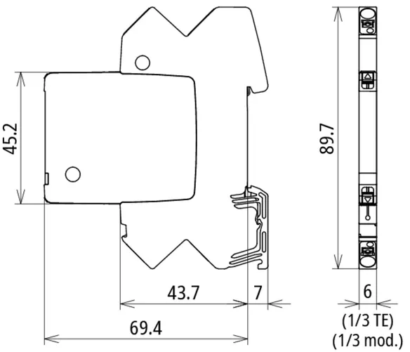
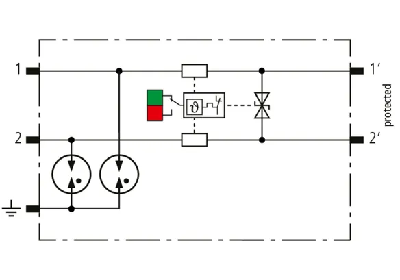
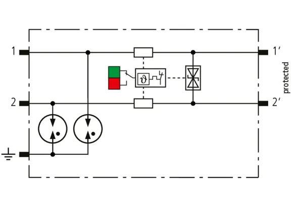
BLITZDUCTORconnect – Modular
- protecting measuring and control circuits, bus and telecommunication systems
- High total discharge capacity of 3 kA (10/350 µs), 10 kA (8/20 µs)
- Max. impulse current carrying capability (8/20 µs) Imax up to 20 kA
- Low voltage protection level, also capable of protecting terminal equipment
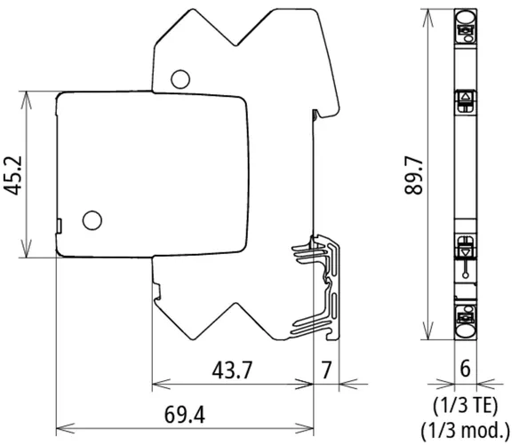
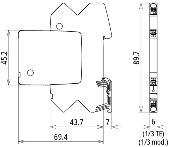
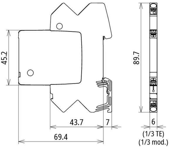
- Fast and simple conductor connection thanks to push-in connection terminals
- All protection components integrated in the module
- secR release buttons on both sides for safe module replacement
- High system availability thanks to fail-safe performance
- LifeCheck and visual status indication integrated in the module
- Simple remote signalling of the status with the help of an optional remote signalling unit
- Tool-free signal circuit disconnection for maintenance purposes
- Vibration and shock-tested for safe operation
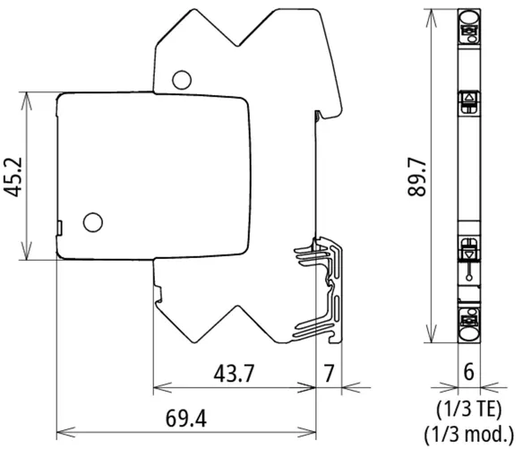
Details
Integrated indication for easy and fast maintenance
secR release buttons on both sides for safe handling
Approvals for use in intrinsically safe measuring circuits
Simple status message with monitoring unit for arrester groups
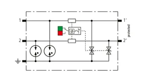
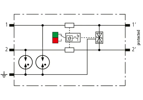
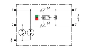
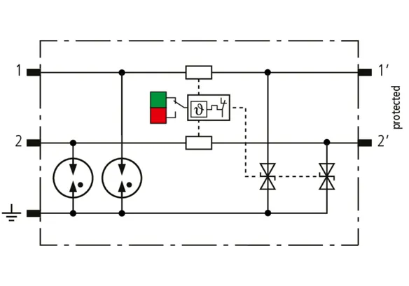
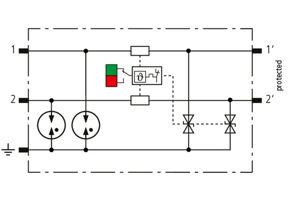
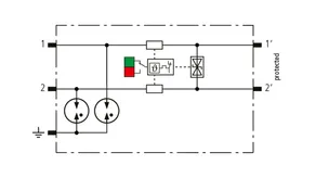
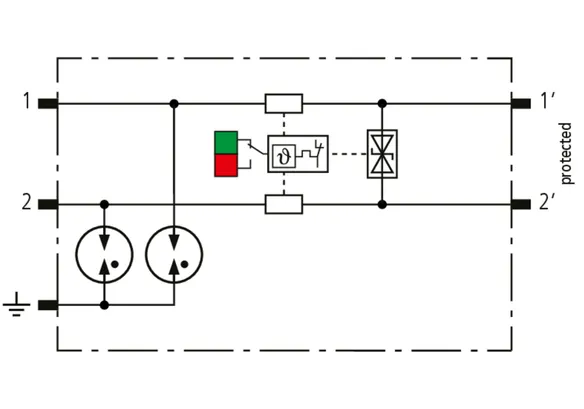
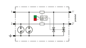
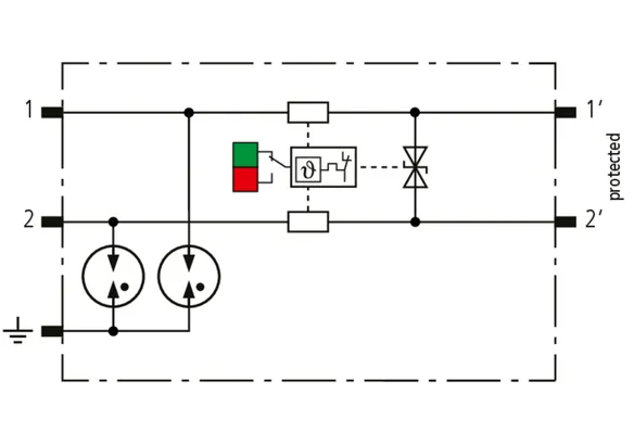
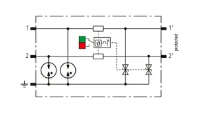
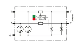
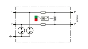
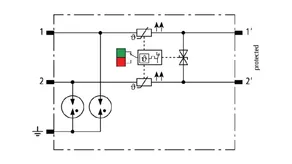
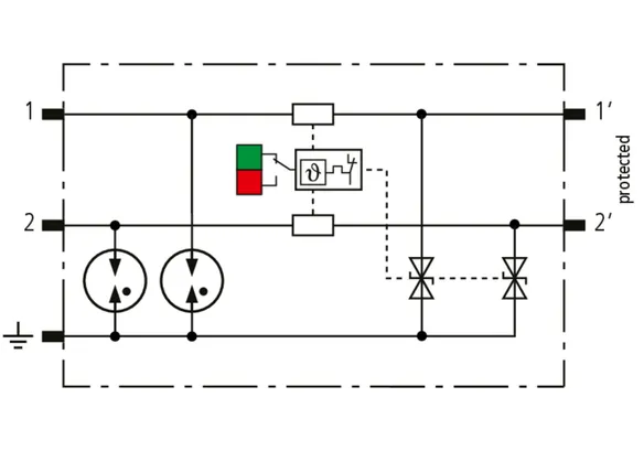
BCO ML2 B 180
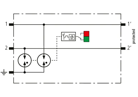
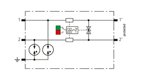
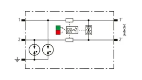
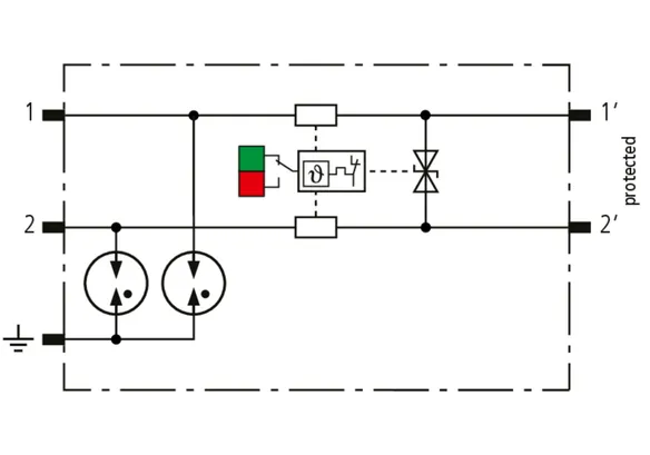
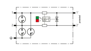
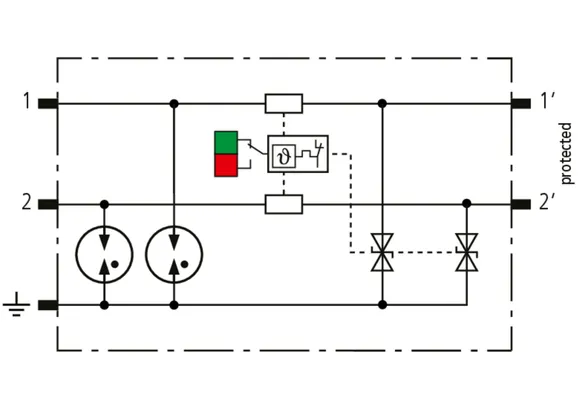
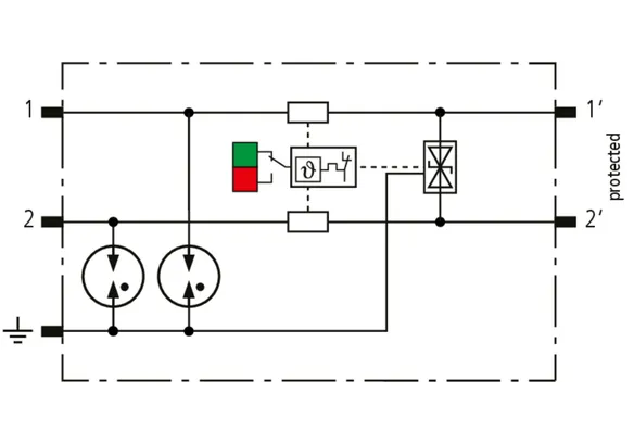
Space-saving, modular lightning current arrester with a width of 6 mm and push-in connection technology with status indication for protecting two single lines for lightning equipotential bonding as well as indirect earthing of shielded cables. With signal disconnection for maintenance purposes.
1 Product
Part No. 927210 BCO ML2 B 180
GTIN 4013364405585, Customs tariff No. (EU): 85363010, Gross weight: 57.75 g, PU: 1.00 pc(s)
Technical data
| SPD class | A |
| Nominal voltage (UN ) | 180 V |
| Max. continuous operating voltage (d.c.) (UC ) | 180 V |
| D1 Lightning impulse current (10/350 µs) per line (Iimp ) | 1.5 kA |
| C2 Total nominal discharge current (8/20 µs) (In ) | 10 kA |
| Series resistance per line | 0 ohm(s) |
| Approvals | UL 497B, CSA, ATEX, IECEx, CCC, SIL |
| *) For details, see: www.dehn-international.com | |
Part No. 927222 BCO ML2 BE 12
GTIN 4013364405592, Customs tariff No. (EU): 85363010, Gross weight: 59.19 g, PU: 1.00 pc(s)
PredecessorTechnical data
| SPD class | M |
| Nominal voltage (UN ) | 12 V |
| Max. continuous operating voltage (d.c.) (UC ) | 15 V |
| Nominal current at 70 °C (IL ) | 0.75 A |
| D1 Lightning impulse current (10/350 µs) per line (Iimp ) | 1.5 kA |
| C2 Total nominal discharge current (8/20 µs) (In ) | 10 kA |
| Series resistance per line | 1 ohm(s) |
| Cut-off frequency line-line (fG ) | 1.4 MHz |
| Approvals | UL 479B, CSA, ATEX, IECEx, CCC, SIL |
| *) For details, see: www.dehn-international.com | |
Part No. 927224 BCO ML2 BE 24
GTIN 4013364405608, Customs tariff No. (EU): 85363010, Gross weight: 59.68 g, PU: 1.00 pc(s)
PredecessorTechnical data
| SPD class | M |
| Nominal voltage (UN ) | 24 V |
| Max. continuous operating voltage (d.c.) (UC ) | 33 V |
| Nominal current at 70 °C (IL ) | 0.75 A |
| D1 Lightning impulse current (10/350 µs) per line (Iimp ) | 1.5 kA |
| C2 Total nominal discharge current (8/20 µs) (In ) | 10 kA |
| Series resistance per line | 1 ohm(s) |
| Cut-off frequency line-line (fG ) | 3.4 MHz |
| Approvals | UL 497B, CSA, ATEX, IECEx, CCC, SIL |
| *) For details, see: www.dehn-international.com | |
Part No. 927225 BCO ML2 BE 48
GTIN 4013364405615, Customs tariff No. (EU): 85363010, Gross weight: 58.22 g, PU: 1.00 pc(s)
PredecessorTechnical data
| SPD class | M |
| Nominal voltage (UN ) | 48 V |
| Max. continuous operating voltage (d.c.) (UC ) | 54 V |
| Nominal current at 70 °C (IL ) | 0.75 A |
| D1 Lightning impulse current (10/350 µs) per line (Iimp ) | 1.5 kA |
| C2 Total nominal discharge current (8/20 µs) (In ) | 10 kA |
| Series resistance per line | 1 ohm(s) |
| Cut-off frequency line-line (fG ) | 5 MHz |
| Approvals | UL 497B, CSA, ATEX, IECEx, CCC, SIL |
| *) For details, see: www.dehn-international.com | |
Part No. 927227 BCO ML2 BE 180
GTIN 4013364468658, Customs tariff No. (EU): 85363010, Gross weight: 58.85 g, PU: 1.00 pc(s)
PredecessorTechnical data
| SPD class | M |
| Nominal voltage (UN ) | 180 V |
| Max. continuous operating voltage (d.c.) (UC ) | 180 V |
| Nominal current at 70 °C (IL ) | 0.5 A |
| D1 Lightning impulse current (10/350 µs) per line (Iimp ) | 1.5 kA |
| C2 Total nominal discharge current (8/20 µs) (In ) | 10 kA |
| Series resistance per line | 1.8 ohm(s) |
| Cut-off frequency line-line (fG ) | 10 MHz |
| Approvals | UL 497B, SIL |
| *) For details, see: www.dehn-international.com | |
Part No. 927242 BCO ML2 BD 12
GTIN 4013364405622, Customs tariff No. (EU): 85363010, Gross weight: 58.35 g, PU: 1.00 pc(s)
PredecessorTechnical data
| SPD class | L |
| Nominal voltage (UN ) | 12 V |
| Max. continuous operating voltage (d.c.) (UC ) | 15 V |
| Nominal current at 70 °C (IL ) | 0.75 A |
| D1 Lightning impulse current (10/350 µs) per line (Iimp ) | 1.5 kA |
| C2 Total nominal discharge current (8/20 µs) (In ) | 10 kA |
| Series resistance per line | 1 ohm(s) |
| Cut-off frequency line-line (fG ) | 2.6 MHz |
| Approvals | UL 497B, CSA, ATEX, IECEx, CCC, SIL |
| *) For details, see: www.dehn-international.com | |
Part No. 927244 BCO ML2 BD 24
GTIN 4013364405639, Customs tariff No. (EU): 85363010, Gross weight: 58.64 g, PU: 1.00 pc(s)
PredecessorTechnical data
| SPD class | L |
| Nominal voltage (UN ) | 24 V |
| Max. continuous operating voltage (d.c.) (UC ) | 36 V |
| Nominal current at 70 °C (IL ) | 0.75 A |
| D1 Lightning impulse current (10/350 µs) per line (Iimp ) | 1.5 kA |
| C2 Total nominal discharge current (8/20 µs) (In ) | 10 kA |
| Series resistance per line | 1 ohm(s) |
| Cut-off frequency line-line (fG ) | 5.8 MHz |
| Approvals | UL 497B, CSA, ATEX, IECEx, CCC, SIL |
| *) For details, see: www.dehn-international.com | |
Part No. 927245 BCO ML2 BD 48
GTIN 4013364405646, Customs tariff No. (EU): 85363010, Gross weight: 58.49 g, PU: 1.00 pc(s)
PredecessorTechnical data
| SPD class | L |
| Nominal voltage (UN ) | 48 V |
| Max. continuous operating voltage (d.c.) (UC ) | 56 V |
| Nominal current at 70 °C (IL ) | 0.75 A |
| D1 Lightning impulse current (10/350 µs) per line (Iimp ) | 1.5 kA |
| C2 Total nominal discharge current (8/20 µs) (In ) | 10 kA |
| Series resistance per line | 1 ohm(s) |
| Cut-off frequency line-line (fG ) | 7.2 MHz |
| Approvals | UL 497B, CSA, ATEX, IECEx, CCC, SIL |
| *) For details, see: www.dehn-international.com | |
Part No. 927247 BCO ML2 BD 180
GTIN 4013364468665, Customs tariff No. (EU): 85363010, Gross weight: 58.92 g, PU: 1.00 pc(s)
PredecessorTechnical data
| SPD class | L |
| Nominal voltage (UN ) | 180 V |
| Max. continuous operating voltage (d.c.) (UC ) | 180 V |
| Nominal current at 70 °C (IL ) | 0.5 A |
| D1 Lightning impulse current (10/350 µs) per line (Iimp ) | 1.5 kA |
| C2 Total nominal discharge current (8/20 µs) (In ) | 10 kA |
| Series resistance per line | 1.8 ohm(s) |
| Cut-off frequency line-line (fG ) | 10 MHz |
| Approvals | UL 497B, SIL |
| *) For details, see: www.dehn-international.com | |
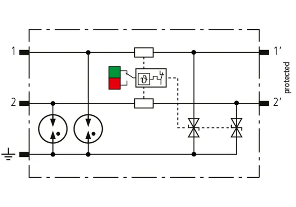
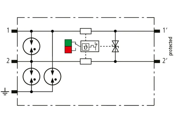
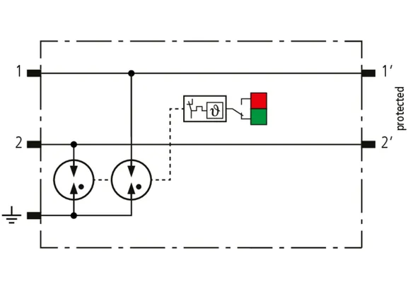
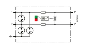
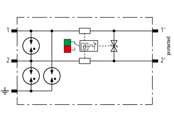
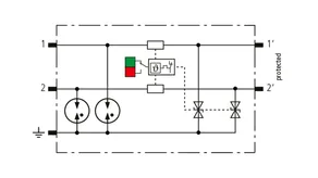
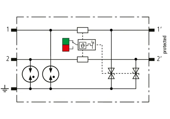
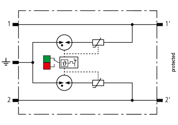
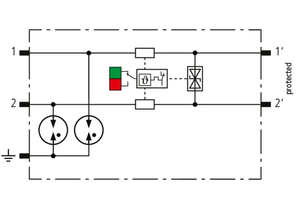
BCO ML2 BE HF
Space-saving, modular combined arrester with a width of 6 mm and push-in connection technology with status indication for protecting two single lines of high-frequency transmissions sharing a common reference potential as well as unbalanced interfaces. With signal disconnection for maintenance purposes.
2 Products
Part No. 927270 BCO ML2 BE HF 5
GTIN 4013364405653, Customs tariff No. (EU): 85363010, Gross weight: 58.57 g, PU: 1.00 pc(s)
PredecessorTechnical data
| SPD class | M |
| Nominal voltage (UN ) | 5 V |
| Max. continuous operating voltage (d.c.) (UC ) | 8.5 V |
| Nominal current at 70 °C (IL ) | 0.75 A |
| D1 Lightning impulse current (10/350 µs) per line (Iimp ) | 1.5 kA |
| C2 Total nominal discharge current (8/20 µs) (In ) | 10 kA |
| Series resistance per line | 1 ohm(s) |
| Approvals | UL 497B, CSA, ATEX, IECEx, CCC, SIL |
| *) For details, see: www.dehn-international.com | |
Part No. 927274 BCO ML2 BE HF 24
GTIN 4013364468559, Customs tariff No. (EU): 85363010, Gross weight: 58.30 g, PU: 1.00 pc(s)
Technical data
| SPD class | M |
| Nominal voltage (UN ) | 24 V |
| Max. continuous operating voltage (d.c.) (UC ) | 36 V |
| Nominal current at 70 °C (IL ) | 0.75 A |
| D1 Lightning impulse current (10/350 µs) per line (Iimp ) | 1.5 kA |
| C2 Total nominal discharge current (8/20 µs) (In ) | 10 kA |
| Series resistance per line | 1 ohm(s) |
| Approvals | UL 497B, SIL |
| *) For details, see: www.dehn-international.com | |
Part No. 927271 BCO ML2 BD HF 5
GTIN 4013364405660, Customs tariff No. (EU): 85363010, Gross weight: 58.42 g, PU: 1.00 pc(s)
PredecessorTechnical data
| SPD class | L |
| Nominal voltage (UN ) | 5 V |
| Max. continuous operating voltage (d.c.) (UC ) | 8.5 V |
| Nominal current at 70 °C (IL ) | 0.75 A |
| D1 Lightning impulse current (10/350 µs) per line (Iimp ) | 1.5 kA |
| C2 Total nominal discharge current (8/20 µs) (In ) | 10 kA |
| Series resistance per line | 1 ohm(s) |
| Cut-off frequency line-line (fG ) | 100 MHz |
| Approvals | UL 497B, CSA, ATEX, IECEx, CCC, SIL |
| *) For details, see: www.dehn-international.com | |
Part No. 927275 BCO ML2 BD HF 24
GTIN 4013364468566, Customs tariff No. (EU): 85363010, Gross weight: 58.60 g, PU: 1.00 pc(s)
PredecessorTechnical data
| SPD class | L |
| Nominal voltage (UN ) | 24 V |
| Max. continuous operating voltage (d.c.) (UC ) | 36 V |
| Nominal current at 70 °C (IL ) | 0.75 A |
| D1 Lightning impulse current (10/350 µs) per line (Iimp ) | 1.5 kA |
| C2 Total nominal discharge current (8/20 µs) (In ) | 10 kA |
| Series resistance per line | 1 ohm(s) |
| Cut-off frequency line-line (fG ) | 100 MHz |
| Approvals | UL 497B, SIL |
| *) For details, see: www.dehn-international.com | |
Part No. 927254 BCO ML2 BD HC5A 24
GTIN 4013364513419, Customs tariff No. (EU): 85363010, Gross weight: 60.63 g, PU: 1.00 pc(s)
Technical data
| SPD class | L |
| Nominal voltage (UN ) | 24 V |
| Max. continuous operating voltage (d.c.) (UC ) | 36 V |
| Nominal current at 80 °C (IL ) | 5 A |
| D1 Lightning impulse current (10/350 µs) per line (Iimp ) | 1.5 kA |
| C2 Total nominal discharge current (8/20 µs) (In ) | 10 kA |
| Series resistance per line | 0 ohm(s) |
| Approvals | UL 497B, SIL |
| *) For details, see: www.dehn-international.com | |
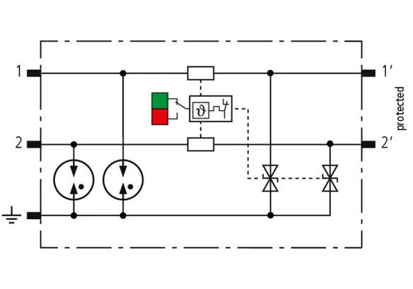
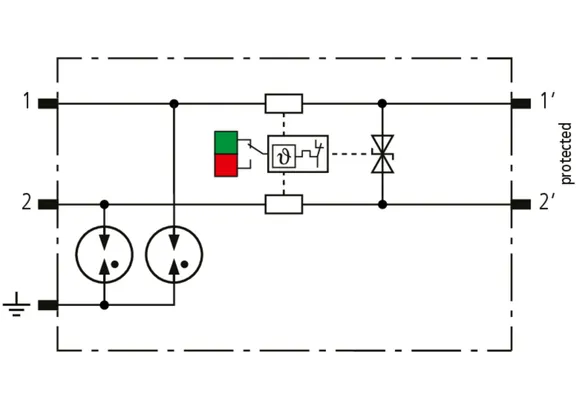
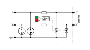
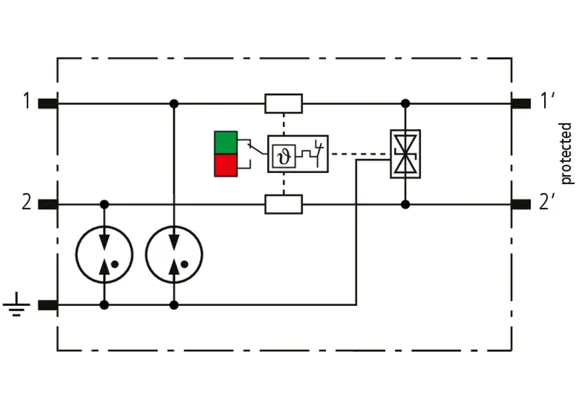
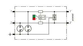
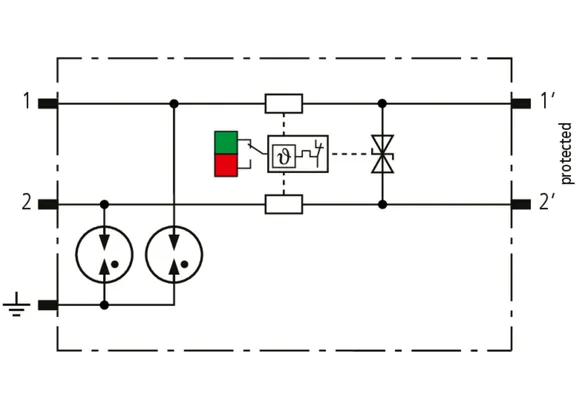
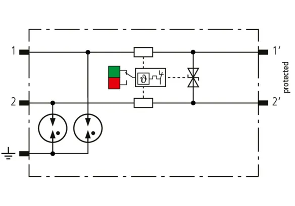
BCO ML2 BPD 24
Space-saving, modular combined arrester with a width of 6 mm and push-in connection technology with status indication for protecting one pair in 24 V DC systems. Also suitable for use with earthed negative pole; integrated PTC resistors allow for secure resetting of the arrester after interference in the system circuit with short-circuit currents of up to 40 A. With signal disconnection for maintenance purposes.
1 Product
Part No. 927214 BCO ML2 BPD 24
GTIN 4013364473003, Customs tariff No. (EU): 85363010, Gross weight: 58.00 g, PU: 1.00 pc(s)
Technical data
| SPD class | L |
| Nominal voltage (UN ) | 24 V |
| Max. continuous operating voltage (d.c.) (UC ) | 33 V |
| Nominal current at 70 °C (IL ) | 0.1 A |
| D1 Lightning impulse current (10/350 µs) per line (Iimp ) | 1.5 kA |
| C2 Total nominal discharge current (8/20 µs) (In ) | 10 kA |
| Series resistance per line | 10 ohm(s) |
| Cut-off frequency line-line (fG ) | 4.5 MHz |
| Approvals | UL 497B, SIL |
| *) For details, see: www.dehn-international.com | |
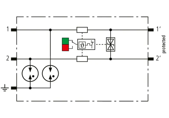
BCO ML2 MVG 230
Space-saving, modular surge arrester with a width of 6 mm and push-in connection technology with status indication for protecting 2 lines of stranded unearthed signal interfaces with a nominal voltage of 230 V. With signal disconnection for maintenance purposes.
Meets, amongst other things, the requirements for signalling systems in the railway industry (e.g. DB RIL 819.0808 railway directive).
1 Product
Part No. 927290 BCO ML2 MVG 230
GTIN 4013364466524, Customs tariff No. (EU): 85363010, Gross weight: 60.12 g, PU: 1.00 pc(s)
Technical data
| SPD class | V |
| Nominal voltage (UN ) | 230 V |
| Nominal current at 80 °C (IL ) | 3 A |
| C2 Total nominal discharge current (8/20 µs) (In ) | 6 kA |
| Series resistance per line | 0 ohm(s) |
| Approvals | SIL |
| *) For details, see: www.dehn-international.com | |
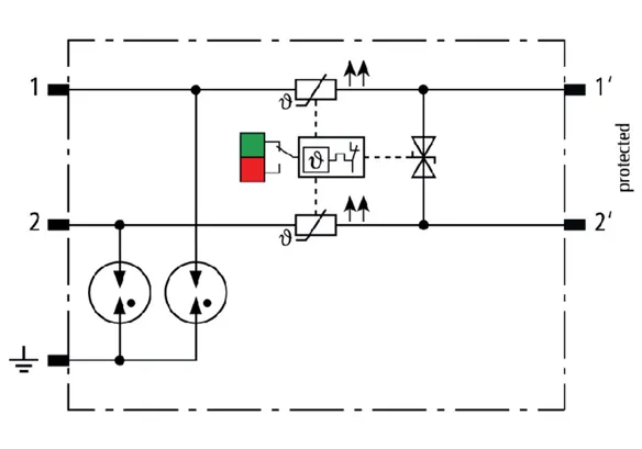
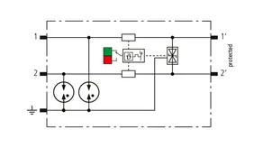
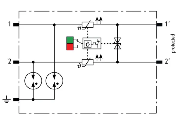
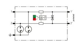
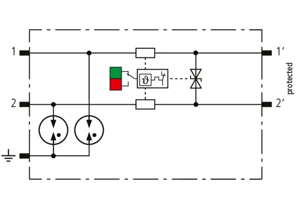
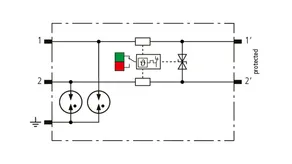
BCO ML2 BD EX 24
Space-saving, modular combined arrester with a width of 6 mm and push-in connection technology with status indication for protecting one pair of intrinsically safe measuring circuits and bus systems, meets FISCO requirements. Insulation strength > 500 V line-ground. With signal disconnection for maintenance purposes.
1 Product
Part No. 927284 BCO ML2 BD EX 24
GTIN 4013364405677, Customs tariff No. (EU): 85363010, Gross weight: 65.18 g, PU: 1.00 pc(s)
PredecessorTechnical data
| SPD class | L |
| Nominal voltage (UN ) | 24 V |
| Max. continuous operating voltage (d.c.) (UC ) | 36 V |
| Nominal current at 80 °C (IL ) | 0.5 A |
| D1 Lightning impulse current (10/350 µs) per line (Iimp ) | 1.5 kA |
| C2 Total nominal discharge current (8/20 µs) (In ) | 10 kA |
| Series resistance per line | 1 ohm(s) |
| Cut-off frequency line-line (fG ) | 3.5 MHz |
| Approvals | ATEX, IECEx, CCC, SIL |
| *) For details, see: www.dehn-international.com | |
Part No. 927010 BCO MOD ML2 B 180
GTIN 4013364410114, Customs tariff No. (EU): 85363010, Gross weight: 39.00 g, PU: 1.00 pc(s)
Technical data
| SPD class | A |
| Nominal voltage (UN ) | 180 V |
| Max. continuous operating voltage (d.c.) (UC ) | 180 V |
| D1 Lightning impulse current (10/350 µs) per line (Iimp ) | 1.5 kA |
| C2 Total nominal discharge current (8/20 µs) (In ) | 10 kA |
| Series resistance per line | 0 ohm(s) |
| Approvals | UL 497B, CSA, ATEX, IECEx, CCC, SIL |
| *) For details, see: www.dehn-international.com | |
Part No. 927022 BCO MOD ML2 BE 12
GTIN 4013364410121, Customs tariff No. (EU): 85363010, Gross weight: 39.00 g, PU: 1.00 pc(s)
Technical data
| SPD class | M |
| Nominal voltage (UN ) | 12 V |
| Max. continuous operating voltage (d.c.) (UC ) | 15 V |
| Nominal current at 70 °C (IL ) | 0.75 A |
| D1 Lightning impulse current (10/350 µs) per line (Iimp ) | 1.5 kA |
| C2 Total nominal discharge current (8/20 µs) (In ) | 10 kA |
| Series resistance per line | 1 ohm(s) |
| Cut-off frequency line-line (fG ) | 1.4 MHz |
| Approvals | UL 497B, CSA, ATEX, IECEx, CCC, SIL |
| *) For details, see: www.dehn-international.com | |
Part No. 927024 BCO MOD ML2 BE 24
GTIN 4013364410138, Customs tariff No. (EU): 85363010, Gross weight: 39.27 g, PU: 1.00 pc(s)
Technical data
| SPD class | M |
| Nominal voltage (UN ) | 24 V |
| Max. continuous operating voltage (d.c.) (UC ) | 33 V |
| Nominal current at 70 °C (IL ) | 0.75 A |
| D1 Lightning impulse current (10/350 µs) per line (Iimp ) | 1.5 kA |
| C2 Total nominal discharge current (8/20 µs) (In ) | 10 kA |
| Series resistance per line | 1 ohm(s) |
| Cut-off frequency line-line (fG ) | 3.4 MHz |
| Approvals | UL 497B, CSA, ATEX, IECEx, CCC, SIL |
| *) For details, see: www.dehn-international.com | |
Part No. 927025 BCO MOD ML2 BE 48
GTIN 4013364410145, Customs tariff No. (EU): 85363010, Gross weight: 39.00 g, PU: 1.00 pc(s)
Technical data
| SPD class | M |
| Nominal voltage (UN ) | 48 V |
| Max. continuous operating voltage (d.c.) (UC ) | 54 V |
| Nominal current at 70 °C (IL ) | 0.75 A |
| D1 Lightning impulse current (10/350 µs) per line (Iimp ) | 1.5 kA |
| C2 Total nominal discharge current (8/20 µs) (In ) | 10 kA |
| Series resistance per line | 1 ohm(s) |
| Cut-off frequency line-line (fG ) | 5 MHz |
| Approvals | UL 497B, CSA, ATEX, IECEx, CCC, SIL |
| *) For details, see: www.dehn-international.com | |
Part No. 927027 BCO MOD ML2 BE 180
GTIN 4013364468689, Customs tariff No. (EU): 85363010, Gross weight: 39.00 g, PU: 1.00 pc(s)
Technical data
| SPD class | M |
| Nominal voltage (UN ) | 180 V |
| Max. continuous operating voltage (d.c.) (UC ) | 180 V |
| Nominal current at 70 °C (IL ) | 0.5 A |
| D1 Lightning impulse current (10/350 µs) per line (Iimp ) | 1.5 kA |
| C2 Total nominal discharge current (8/20 µs) (In ) | 10 kA |
| Series resistance per line | 1.8 ohm(s) |
| Cut-off frequency line-line (fG ) | 10 MHz |
| Approvals | UL 497B, SIL |
| *) For details, see: www.dehn-international.com | |
Part No. 927042 BCO MOD ML2 BD 12
GTIN 4013364410152, Customs tariff No. (EU): 85363010, Gross weight: 39.00 g, PU: 1.00 pc(s)
Technical data
| SPD class | L |
| Nominal voltage (UN ) | 12 V |
| Max. continuous operating voltage (d.c.) (UC ) | 15 V |
| Nominal current at 70 °C (IL ) | 0.75 A |
| D1 Lightning impulse current (10/350 µs) per line (Iimp ) | 1.5 kA |
| C2 Total nominal discharge current (8/20 µs) (In ) | 10 kA |
| Series resistance per line | 1 ohm(s) |
| Cut-off frequency line-line (fG ) | 2.6 MHz |
| Approvals | UL 497B, CSA, ATEX, IECEx, CCC, SIL |
| *) For details, see: www.dehn-international.com | |
Part No. 927044 BCO MOD ML2 BD 24
GTIN 4013364410169, Customs tariff No. (EU): 85363010, Gross weight: 39.00 g, PU: 1.00 pc(s)
Technical data
| SPD class | L |
| Nominal voltage (UN ) | 24 V |
| Max. continuous operating voltage (d.c.) (UC ) | 36 V |
| Nominal current at 70 °C (IL ) | 0.75 A |
| D1 Lightning impulse current (10/350 µs) per line (Iimp ) | 1.5 kA |
| C2 Total nominal discharge current (8/20 µs) (In ) | 10 kA |
| Series resistance per line | 1 ohm(s) |
| Cut-off frequency line-line (fG ) | 5.8 MHz |
| Approvals | UL 497B, CSA, ATEX, IECEx, CCC, SIL |
| *) For details, see: www.dehn-international.com | |
Part No. 927045 BCO MOD ML2 BD 48
GTIN 4013364410176, Customs tariff No. (EU): 85363010, Gross weight: 39.00 g, PU: 1.00 pc(s)
Technical data
| SPD class | L |
| Nominal voltage (UN ) | 48 V |
| Max. continuous operating voltage (d.c.) (UC ) | 56 V |
| Nominal current at 70 °C (IL ) | 0.75 A |
| D1 Lightning impulse current (10/350 µs) per line (Iimp ) | 1.5 kA |
| C2 Total nominal discharge current (8/20 µs) (In ) | 10 kA |
| Series resistance per line | 1 ohm(s) |
| Cut-off frequency line-line (fG ) | 7.2 MHz |
| Approvals | UL 497B, CSA, ATEX, IECEx, CCC, SIL |
| *) For details, see: www.dehn-international.com | |
Part No. 927047 BCO MOD ML2 BD 180
GTIN 4013364468672, Customs tariff No. (EU): 85363010, Gross weight: 39.00 g, PU: 1.00 pc(s)
Technical data
| SPD class | L |
| Nominal voltage (UN ) | 180 V |
| Max. continuous operating voltage (d.c.) (UC ) | 180 V |
| Nominal current at 70 °C (IL ) | 0.5 A |
| D1 Lightning impulse current (10/350 µs) per line (Iimp ) | 1.5 kA |
| C2 Total nominal discharge current (8/20 µs) (In ) | 10 kA |
| Series resistance per line | 1.8 ohm(s) |
| Cut-off frequency line-line (fG ) | 10 MHz |
| Approvals | UL 497B, SIL |
| *) For details, see: www.dehn-international.com | |
Part No. 927070 BCO MOD ML2 BE HF 5
GTIN 4013364410183, Customs tariff No. (EU): 85363010, Gross weight: 39.00 g, PU: 1.00 pc(s)
Technical data
| SPD class | M |
| Nominal voltage (UN ) | 5 V |
| Max. continuous operating voltage (d.c.) (UC ) | 8.5 V |
| Nominal current at 70 °C (IL ) | 0.75 A |
| D1 Lightning impulse current (10/350 µs) per line (Iimp ) | 1.5 kA |
| C2 Total nominal discharge current (8/20 µs) (In ) | 10 kA |
| Series resistance per line | 1 ohm(s) |
| Approvals | UL 497B, CSA, ATEX, IECEx, CCC, SIL |
| *) For details, see: www.dehn-international.com | |
Part No. 927074 BCO MOD ML2 BE HF 24
GTIN 4013364468573, Customs tariff No. (EU): 85363010, Gross weight: 39.00 g, PU: 1.00 pc(s)
Technical data
| SPD class | M |
| Nominal voltage (UN ) | 24 V |
| Max. continuous operating voltage (d.c.) (UC ) | 36 V |
| Nominal current at 70 °C (IL ) | 0.75 A |
| D1 Lightning impulse current (10/350 µs) per line (Iimp ) | 1.5 kA |
| C2 Total nominal discharge current (8/20 µs) (In ) | 10 kA |
| Series resistance per line | 1 ohm(s) |
| Approvals | UL 497B, SIL |
| *) For details, see: www.dehn-international.com | |
Part No. 927071 BCO MOD ML2 BD HF 5
GTIN 4013364410190, Customs tariff No. (EU): 85363010, Gross weight: 39.00 g, PU: 1.00 pc(s)
Technical data
| SPD class | L |
| Nominal voltage (UN ) | 5 V |
| Max. continuous operating voltage (d.c.) (UC ) | 8.5 V |
| Nominal current at 70 °C (IL ) | 0.75 A |
| D1 Lightning impulse current (10/350 µs) per line (Iimp ) | 1.5 kA |
| C2 Total nominal discharge current (8/20 µs) (In ) | 10 kA |
| Series resistance per line | 1 ohm(s) |
| Cut-off frequency line-line (fG ) | 100 MHz |
| Approvals | UL 497B, CSA, ATEX, IECEx, CCC, SIL |
| *) For details, see: www.dehn-international.com | |
Part No. 927075 BCO MOD ML2 BD HF 24
GTIN 4013364468580, Customs tariff No. (EU): 85363010, Gross weight: 39.00 g, PU: 1.00 pc(s)
Technical data
| SPD class | L |
| Nominal voltage (UN ) | 24 V |
| Max. continuous operating voltage (d.c.) (UC ) | 36 V |
| Nominal current at 70 °C (IL ) | 0.75 A |
| D1 Lightning impulse current (10/350 µs) per line (Iimp ) | 1.5 kA |
| C2 Total nominal discharge current (8/20 µs) (In ) | 10 kA |
| Series resistance per line | 1 ohm(s) |
| Cut-off frequency line-line (fG ) | 100 MHz |
| Approvals | UL 497B, SIL |
| *) For details, see: www.dehn-international.com | |
Part No. 927054 BCO MOD ML2 BD HC5A 24
GTIN 4013364513426, Customs tariff No. (EU): 85363010, Gross weight: 41.00 g, PU: 1.00 pc(s)
Technical data
| SPD class | L |
| Nominal voltage (UN ) | 24 V |
| Max. continuous operating voltage (d.c.) (UC ) | 36 V |
| Nominal current at 80 °C (IL ) | 5 A |
| D1 Lightning impulse current (10/350 µs) per line (Iimp ) | 1.5 kA |
| C2 Total nominal discharge current (8/20 µs) (In ) | 10 kA |
| Series resistance per line | 0 ohm(s) |
| Approvals | UL 497B, SIL |
| *) For details, see: www.dehn-international.com | |
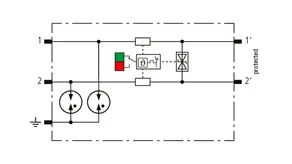
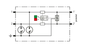
BCO MOD ML2 BPD
Combined arrester protection module with a width of 6 mm for BLITZDUCTORconnect with status indication for protecting one pair in 24 V DC systems. Also suitable for use with an earthed negative pole. Integrated PTC resistors allow for secure resetting of the arrester after interference in the system circuit with short-circuit currents of up to 40 A.
1 Product
Part No. 927014 BCO MOD ML2 BPD 24
GTIN 4013364473010, Customs tariff No. (EU): 85363010, Gross weight: 39.00 g, PU: 1.00 pc(s)
Technical data
| SPD class | L |
| Nominal voltage (UN ) | 24 V |
| Max. continuous operating voltage (d.c.) (UC ) | 33 V |
| Nominal current at 70 °C (IL ) | 0.1 A |
| D1 Lightning impulse current (10/350 µs) per line (Iimp ) | 1.5 kA |
| C2 Total nominal discharge current (8/20 µs) (In ) | 10 kA |
| Series resistance per line | 10 ohm(s) |
| Cut-off frequency line-line (fG ) | 4.5 MHz |
| Approvals | UL 497B, SIL |
| *) For details, see: www.dehn-international.com | |
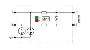
BCO MOD ML2 MVG 230
Surge arrester protection module with a width of 6 mm for BLITZDUCTORconnect with status indication for protecting 2 lines of stranded unearthed signal interfaces with a nominal voltage of 230 V.
Meets, amongst other things, the requirements for signalling systems in the railway industry (e.g. DB RIL 819.0808 railway directive).
1 Product
Part No. 927090 BCO MOD ML2 MVG 230
GTIN 4013364466531, Customs tariff No. (EU): 85363010, Gross weight: 39.00 g, PU: 1.00 pc(s)
Technical data
| SPD class | V |
| Nominal voltage (UN ) | 230 V |
| Nominal current at 80 °C (IL ) | 3 A |
| C2 Total nominal discharge current (8/20 µs) (In ) | 6 kA |
| Series resistance per line | 0 ohm(s) |
| Approvals | SIL |
| *) For details, see: www.dehn-international.com | |
Part No. 927084 BCO MOD ML2 BD EX 24
GTIN 4013364410206, Customs tariff No. (EU): 85363010, Gross weight: 39.00 g, PU: 1.00 pc(s)
Technical data
| SPD class | L |
| Nominal voltage (UN ) | 24 V |
| Max. continuous operating voltage (d.c.) (UC ) | 36 V |
| Nominal current at 80 °C (IL ) | 0.5 A |
| D1 Lightning impulse current (10/350 µs) per line (Iimp ) | 1.5 kA |
| C2 Total nominal discharge current (8/20 µs) (In ) | 10 kA |
| Series resistance per line | 1 ohm(s) |
| Cut-off frequency line-line (fG ) | 3.5 MHz |
| Approvals | ATEX, IECEx, CCC, SIL |
| *) For details, see: www.dehn-international.com | |