DEHNflex

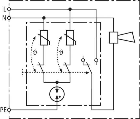
  • Two-pole surge arrester with monitoring device and disconnector
  • Enhanced safety due to fault-proof Y protective circuit
  • Acoustic fault indication
  • Compact design
  • For use in flush-mounted systems, cable ducts and flush-type boxes

Details

lorem ipsum

DEHNflex M

Surge arrester for single-phase 230 V TT and TN systems for use in all installation systems of terminal equipment; compact dimensions.

1 Product

Part No. 924396 DFL M 255

GTIN 4013364091016, Customs tariff No. (EU): 85363010, Gross weight: 34.51 g, PU: 1.00 pc(s)


Images

Additional information

DEHNflex M 255 surge arrester
Two-pole surge arrester for all installation
systems of 230 V terminal equipment
Compact dimensions
Type 3 SPD according to EN 61643-11
For use in flush-type boxes and cable ducts
Acoustic fault indication
Max. continuous operating voltage: 255 V a.c.
Voltage protection level: <= 1.5 kV
Total discharge current: 3 kA
Max. mains-side overcurrent protection: 32 A gG or B/C 32 A
Energy-coordinated according to IEC 62305-4 with arresters
of the Red/Line series

Brand: DEHN
Type: DFL M 255
Part No.: 924396
or equivalent.

Certificates

 

Technical data

SPD according to EN 61643-11 / IEC 61643-11 type 3 / class III
Max. continuous operating voltage (a.c.) (UC ) 255 V (50 / 60 Hz)
Nominal discharge current (8/20 µs) (In ) 1.5 kA
Total discharge current (8/20 µs) [L+N-PE] (Itotal ) 3 kA
Voltage protection level [L-N] / [L/N-PE] (UP ) ≤ 1250 / ≤ 1500 V
Max. mains-side overcurrent protection B 16 A
Fault indication acoustic signal on
Dimensions 30 x 50 x 11 mm

Product 924396 was added to Notepad.

Product 924396 was added to the cart.


DEHNflex A

Surge arrester for single-phase 230 V TT and TN systems for use in all installation systems of terminal equipment; with test function; compact dimensions.

1 Product

Part No. 924389 DFL A 255

GTIN 4013364073692, Customs tariff No. (EU): 85363010, Gross weight: 39.87 g, PU: 1.00 pc(s)


Images

Additional information

DEHNflex A 255 surge arrester
Two-pole surge arrester for all
installation systems of 230‑V terminal equipment
Type 3 arrester as per EN 61643-11
For use in flush-type boxes and cable ducts
Compact design
Acoustic fault indication
with test function
Max. continuous operating voltage: 255 V AC
Voltage protection level: <= 1.5 kV
Total discharge current: 5 kA
Max. mains-side overcurrent protection: 16 A gG or B 16 A
Energy coordination according to DIN EN 62305-4
Arrester of the Red/Line series

Brand: DEHN
Type: DFL A 255
Part No.: 924389
or equivalent.

Certificates

 

Technical data

SPD according to EN 61643-11 / IEC 61643-11 type 3 / class III
Max. continuous operating voltage (a.c.) (UC ) 255 V (50 / 60 Hz)
Nominal discharge current (8/20 µs) (In ) 3 kA
Total discharge current (8/20 µs) [L+N-PE] (Itotal ) 5 kA
Voltage protection level [L-N] / [L/N-PE] (UP ) ≤ 1250 / ≤ 1500 V
Max. mains-side overcurrent protection B 16 A
Fault indication acoustic signal on
Dimensions 36 x 46 x 19 mm

Product 924389 was added to Notepad.

Product 924389 was added to the cart.


DEHNflex D

Surge arrester for single-phase 230 V TT and TN systems for use in all installation systems of terminal equipment; allows series connection; with test function; compact dimensions.

1 Product

Part No. 924395 DFL D 255

GTIN 4013364076334, Customs tariff No. (EU): 85363010, Gross weight: 79.30 g, PU: 1.00 pc(s)


Images

Additional information

DEHNflex D 255 surge arrester
Two-pole surge arrester for all installation
systems of 230 V terminal equipment
For through-wiring
Type 3 SPD according to EN 61643-11
For use in flush-type boxes and cable ducts
Compact dimensions
Acoustic fault indication
with test function
Max. continuous operating voltage: 255 V a.c.
Voltage protection level: <= 1.5 kV
Total discharge current: 5 kA
Max. mains-side overcurrent protection: 16 A gG or B 16 A
Energy-coordinated according to IEC 62305-4 with arresters
of the Red/Line series

Brand: DEHN
Type: DFL D 255
Part No.: 924395
or equivalent.

Certificates

 

Technical data

SPD according to EN 61643-11 / IEC 61643-11 type 3 / class III
Max. continuous operating voltage (a.c.) (UC ) 255 V (50 / 60 Hz)
Nominal discharge current (8/20 µs) (In ) 3 kA
Total discharge current (8/20 µs) [L+N-PE] (Itotal ) 5 kA
Voltage protection level [L-N] / [L/N-PE] (UP ) ≤ 1250 / ≤ 1500 V
Max. mains-side overcurrent protection B 16 A
Fault indication acoustic signal on
Dimensions 36 x 46 x 19 mm

Product 924395 was added to Notepad.

Product 924395 was added to the cart.


back to top